Rail Draft Keys
Professional Rail Equipment Parts Supplier !
Customer Service in English, 24/7 Emergency Service.
Request a quote < E-Mail ➤ Sales@Schber.com >
Description
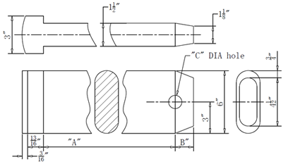
Draft Keys


| Tedrail P/N | “A” (in) | “B” | “C” | Net Weight (kg) | Specification |
| PN-01-1 | 15.5 (393.7mm) | 1-1/2" | 1-9/16" | 20.1 |
3. Additional Variations in “A”, “b” and “C” dimensions available to meet your requirements. |
| PN-01-2 | 16 (406.4mm) | 1-1/2" | 1-9/16" | 20.6 | |
| PN-01-3 | 16-1/2"(419.1mm) | 1-1/2" | 1-9/16" | 21.2 | |
| PN-01-4 | 17"(431.8mm) | 1-1/2" | 1-9/16" | 21.7 | |
| PN-01-5 | 17-1/2"(444.5mm) | 1-1/2" | 1-9/16" | 22.3 | |
| PN-01-6 | 18"(457.5mm) | 1-1/2" | 1-9/16" | 22.8 | |
| PN-01-7 | 18-1/2"(469.9mm) | 1-1/2" | 1-9/16" | 23.4 | |
| PN-01-8 | 19"(482.6mm) | 1-1/2" | 1-9/16" | 23.9 | |
| PN-01-9 | 19-1/2"(495.3mm) | 1-1/2" | 1-9/16" | 24.5 | |
| PN-01-10 | 20"(508mm) | 1-1/2" | 1-9/16" | 25 |
Headless Draft Key

| Line | “A” | WT.(kg) | Specification |
| PN-03-1 | 12-1/2” | 17.2 | 1.Forged 2.MaterialasAISI1045 3.Deliveredas:
|
| PN-03-2 | 12-3/4” | 17.7 | |
| PN-03-3 | 17-1/2” | 24.5 | |
| PN-03-4 | 24” | 73 | |
| PN-03-5 | 26” | 31.1 | |
| PN-03-6 | 12-7/8” | 18.1 | |
| PN-03-7 | 12” | 16.8 | |
| PN-03-8 | 30” | 105 | |
| PN-03-9 | 18-1/4” | 21.6 | |
| PN-03-10 | 21-1/2” | 24.9 |
Coupler Pin-Y47

| Coupler pin | A | B | Specification |
| Y47 PN-02-1 | 3-1/2 | 11-15/16 | AAR M-118,Material AISI 1060 or Alloy Steel 42CrMo |
Knuckle Pin- C10

| Knuckle Pin | A | B | C | Specification |
| C10 PN-04-1 | 1-5/8 | 12-7/8 | 13-3/8 | AAR M-118,Material AISI 1060 or Alloy Steel 42CrMo |
Related products
Rail “T” Type Draft Key Lock Retainer Assembly





